Приветствую Вас Гость | RSS
Меню сайтаКатегории раздела
СтатистикаОнлайн всего: 2 Гостей: 2 Пользователей: 0 |
Главная » Фотоальбом » Мои фотографии » Схема телевизора panasonic panablack " Электрические...
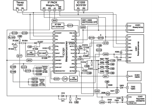
Схема телевизора panasonic panablack " Электрические...
Схема телевизора panasonic panablack.
Схема телевизора panasonic panablack " Электрические схемы 1024x708 vldvstk.nightparty.ru |
Вход на сайтПоискДрузья сайта |